|
D25系列液压缸尺寸及质量 |
||||||||||||||||
|
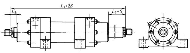
D25JG、D25JGK型
其余外形尺寸见C25JG型(表C25JG、C25JGK、C25JGNi型外形尺寸) |
||||||||||||||||
|
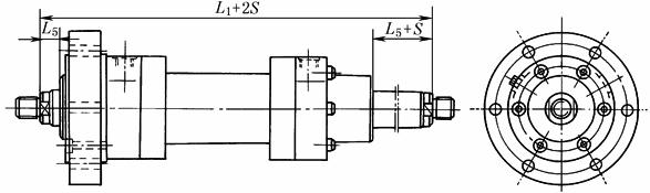
D25ZB、D25ZBK型
其余外形尺寸见C25ZB型(表C25ZB、C25ZBK、C25ZBNi型外形尺寸) |
||||||||||||||||
|
D25TF、D25TFK型
其余外形尺寸见C25TF型(表C25TF、C25TFK、C25TFNi和C25WF、C25WFK、C25WFNi型外形尺寸) |
||||||||||||||||
|
表1 mm |
||||||||||||||||
|
D(缸体内径) |
40 |
50 |
63 |
80 |
100 |
125 |
140 |
160 |
180 |
200 |
220 |
250 |
280 |
320 |
360 |
400 |
|
L1 |
268 |
278 |
324 |
325 |
405 |
474 |
520 |
585 |
635 |
665 |
780 |
814 |
904 |
1000 |
1090 |
1200 |
|
L5 |
17 |
20 |
20 |
20 |
30 |
30 |
30 |
35 |
40 |
40 |
40 |
40 |
40 |
40 |
50 |
50 |
|
表2 D25系列液压缸质量 kg |
||||||||||||||||||
|
D/mm |
40 |
50 |
63 |
80 |
100 |
125 |
140 |
160 |
180 |
200 |
220 |
250 |
280 |
320 |
360 |
400 |
||
|
d/mm |
22/ 28 |
28/ 36 |
36/ 45 |
45/ 56 |
56/ 70 |
70/ 90 |
90/ 100 |
100/ 110 |
110/ 125 |
125/ 140 |
140/ 160 |
160/ 180 |
180/ 200 |
200/ 220 |
220/ 250 |
250/ 280 |
||
|
Δ/kg·mm-1 |
0.015/ 0.02 |
0.023/ 0.029 |
0.031/ 0.04 |
0.044/ 0.063 |
0.076/ 0.098 |
0.106/ 0.146 |
0.176/ 0.201 |
0.192/ 0.218 |
0.245/ 0.289 |
0.315/ 0.365 |
0.403/ 0.477 |
0.582/ 0.666 |
0.676/ 0.77 |
0.858/ 0.962 |
1.037/ 1.212 |
1.317/ 1.511 |
||
|
JG 型 |
J /kg |
Ⅰ、Ⅱ、 Ⅲ |
7.7/ 7.9 |
12.9/ 13.2 |
21.5/ 22.2 |
31.6/ 32.6 |
55/56 |
94/96 |
131/ 139 |
196/ 198 |
262/ 267 |
335/ 343 |
482/ 488 |
639/ 645 |
884/ 892 |
1262/ 1271 |
1705/ 1746 |
2339/ 2359 |
|
ⅠA1、ⅡB1、 ⅢC1 |
8.4/ 8.6 |
13.9/ 14.2 |
22.9/ 23.6 |
34.0/ 35.0 |
59/60 |
102/ 104 |
142/ 149 |
213/ 215 |
288/ 293 |
365/ 374 |
529/ 535 |
686/ 692 |
972/ 980 |
1381/ 1390 |
1845/ 1886 |
2526/ 2545 |
||
|
ⅠA2、ⅡB2、 ⅢC2 |
9.1/ 9.3 |
14.9/ 15.2 |
24.4/ 25.1 |
36.4/ 37.4 |
63/64 |
110/ 112 |
153/ 160 |
230/ 232 |
314/ 319 |
395/ 405 |
576/ 582 |
733/ 739 |
1060/ 1068 |
1500/ 1509 |
1985/ 2026 |
2712/ 2731 |
||
|
ZB 型 |
J /kg |
Ⅰ、Ⅱ、 Ⅲ |
7.7/ 7.9 |
12.5/ 12.7 |
20.5/ 21.2 |
28.8/ 29.9 |
53/54 |
88/90 |
125/ 132 |
190/ 193 |
254/ 260 |
318/ 326 |
479/ 485 |
653/ 639 |
905/ 913 |
1314/ 1323 |
1767/ 1808 |
2461/ 2480 |
|
ⅠA1、ⅡB1、 ⅢC1 |
8.4/ 8.6 |
13.5/ 13.7 |
21.9/ 22.7 |
31.2/ 32.3 |
57/58 |
96/98 |
134/ 141 |
208/ 210 |
281/ 286 |
348/ 357 |
526/ 532 |
700/ 706 |
993/ 1001 |
1433/ 1442 |
1907/ 1948 |
2648/ 2667 |
||
|
ⅠA2、ⅡB2 ⅢC2 |
9.1/ 9.3 |
14.5/ 14.7 |
23.4/ 24.2 |
33.6/ 34.7 |
61/62 |
104/ 106 |
144/ 151 |
225/ 228 |
307/ 312 |
378/ 387 |
573/ 579 |
747/ 753 |
1081/ 1089 |
1552/ 1561 |
2047/ 2088 |
2834/ 2853 |
||
|
TF 型 |
J /kg |
Ⅰ、Ⅱ、 Ⅲ |
9.2/ 9.4 |
14.5/ 14.8 |
23.6/ 24.5 |
31.5/ 32.6 |
59/60 |
95/97 |
136/ 143 |
208/ 210 |
277/ 282 |
344/ 352 |
510/ 516 |
677/ 683 |
932/ 940 |
1367/ 1376 |
1816/ 1857 |
2507/ 2526 |
|
ⅠA1、ⅡB1、 ⅢC1 |
9.9/ 10.1 |
15.5/ 15.8 |
25.1/ 25.8 |
33.9/ 35.0 |
63/64 |
103/ 105 |
146/ 153 |
225/ 227 |
303/ 305 |
374/ 383 |
557/ 563 |
724/ 730 |
1020/ 1028 |
1486/ 1495 |
1956/ 1997 |
2694/ 2713 |
||
|
ⅠA2、ⅡB2、 ⅢC2 |
10.6/ 10.8 |
16.5/ 16.8 |
26.5/ 27.2 |
36.3/ 37.4 |
67/68 |
111/ 113 |
156/ 163 |
243/ 245 |
330/ 335 |
404/ 414 |
604/ 610 |
771/ 777 |
1108/ 1116 |
1605/ 1614 |
2096/ 2137 |
2880/ 2899 |
||
|
液压缸质量Q≈J+ΔS(kg) |
||||||||||||||||||