|
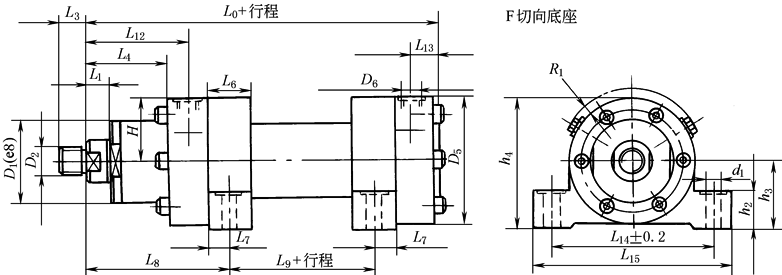
CD350F差动重载液压缸 |
|||||||||||||||
|
mm |
|||||||||||||||
|
活塞直径 |
40 |
50 |
63 |
80 |
100 |
125 |
140 |
160 |
180 |
200 |
220 |
250 |
280 |
320 |
|
|
活塞杆直径 |
28 |
36 |
45 |
56 |
70 |
90 |
100 |
110 |
125 |
140 |
160 |
180 |
200 |
220 |
|
|
D1 |
58 |
70 |
88 |
100 |
120 |
150 |
170 |
190 |
220 |
230 |
260 |
290 |
330 |
340 |
|
|
D2 |
A |
M24 ×2 |
M30 ×2 |
M39 ×3 |
M50 ×3 |
M64 ×3 |
M80 ×3 |
M90 ×3 |
M100 ×3 |
M110 ×4 |
M120 ×4 |
M120 ×4 |
M150 ×4 |
M160 ×4 |
M180 ×4 |
|
G |
M22 ×1.5 |
M28 ×1.5 |
M35 ×1.5 |
M45 ×1.5 |
M58 ×1.5 |
M65 ×1.5 |
M80 ×2 |
M100 ×2 |
M110 ×2 |
M120 ×3 |
M120 ×3 |
M130 ×3 |
— |
— |
|
|
D5 |
90 |
110 |
145 |
156 |
190 |
235 |
270 |
290 |
325 |
350 |
390 |
440 |
460 |
490 |
|
|
D7 |
01 |
1/2″ BSP |
1/2″ BSP |
3/4″ BSP |
3/4″ BSP |
1″ BSP |
1¼″ BSP |
1¼″ BSP |
1½″ BSP |
1½″ BSP |
1½″ BSP |
1½″ BSP |
1½″ BSP |
1½″ BSP |
1½″ BSP |
|
02 |
M22 ×1.5 |
M22 ×1.5 |
M27 ×2 |
M27 ×2 |
M33 ×2 |
M42 ×2 |
M42 ×2 |
M48 ×2 |
M48 ×2 |
M48 ×2 |
M48 ×2 |
M48 ×2 |
M48 ×2 |
M48 ×2 |
|
|
L0 |
238 |
237 |
285 |
305 |
330 |
425 |
457 |
515 |
565 |
600 |
655 |
695 |
735 |
775 |
|
|
L1 |
18 |
18 |
18 |
18 |
18 |
20 |
20 |
30 |
30 |
26 |
18 |
16 |
30 |
45 |
|
|
L3 |
A |
35 |
45 |
55 |
75 |
95 |
110 |
120 |
140 |
150 |
160 |
160 |
190 |
200 |
220 |
|
G |
22 |
28 |
35 |
45 |
58 |
65 |
80 |
100 |
110 |
120 |
120 |
130 |
— |
— |
|
|
L4 |
63 |
65 |
65 |
75 |
80 |
100 |
110 |
130 |
145 |
155 |
165 |
175 |
190 |
205 |
|
|
L6 |
30 |
40 |
50 |
60 |
65 |
80 |
90 |
95 |
115 |
125 |
135 |
145 |
160 |
170 |
|
|
L7 |
15 |
20 |
25 |
30 |
32.5 |
40 |
45 |
47.5 |
57.5 |
62.5 |
67.5 |
72.5 |
80 |
85 |
|
|
L8 |
123 |
130 |
147.5 |
162.5 |
172.5 |
220 |
235 |
270 |
297.5 |
312.5 |
337.5 |
362.5 |
385 |
410 |
|
|
L9 |
55 |
42 |
50 |
50 |
60 |
80 |
90 |
100 |
110 |
125 |
135 |
135 |
145 |
150 |
|
|
L12 |
88 |
90 |
100 |
111 |
112.5 |
145 |
160 |
187.5 |
205 |
215 |
225 |
245 |
265 |
275 |
|
|
L13 |
25 |
25 |
32.5 |
35 |
37.5 |
50 |
57 |
62.5 |
65 |
60 |
65 |
70 |
85 |
80 |
|
|
L14
|
120± 0.2 |
150± 0.2 |
185± 0.2 |
210± 0.2 |
250± 0.2 |
310± 0.2 |
340± 0.2 |
370± 0.2 |
415± 0.2 |
460± 0.2 |
500± 0.2 |
550± 0.2 |
600± 0.2 |
650± 0.2 |
|
|
L15 |
145 |
185 |
235 |
270 |
320 |
390 |
420 |
450 |
515 |
570 |
610 |
660 |
720 |
780 |
|
|
d1 |
17 |
21 |
24 |
26 |
33 |
39 |
39 |
42 |
45 |
48 |
48 |
52 |
62 |
74 |
|
|
h2 |
30 |
35 |
45 |
50 |
60 |
70 |
75 |
87 |
95 |
110 |
110 |
120 |
140 |
160 |
|
|
h3 |
50 |
65 |
75 |
80 |
100 |
120 |
140 |
150 |
165 |
180 |
200 |
225 |
235 |
255 |
|
|
h4 |
— |
— |
149 |
158 |
197.5 |
238 |
227.5 |
297.5 |
327.5 |
357.5 |
397.5 |
447.5 |
467 |
505 |
|
|
系数X |
11 |
17 |
37 |
47 |
73 |
132 |
208 |
304 |
357 |
499 |
665 |
814 |
1069 |
1304 |
|
|
系数Y |
0.010 |
0.016 |
0.029 |
0.051 |
0.076 |
0.116 |
0.163 |
0.213 |
0.264 |
0.317 |
0.418 |
0.541 |
0.584 |
0.685 |
|
|
质量m/kg |
X+Y×行程 (mm) |
||||||||||||||
|
注:1.见表CD250A、CD250B差动重载液压缸注。 2.其他尺寸见表CD250A、CD250B差动重载液压缸。 |
|||||||||||||||