|
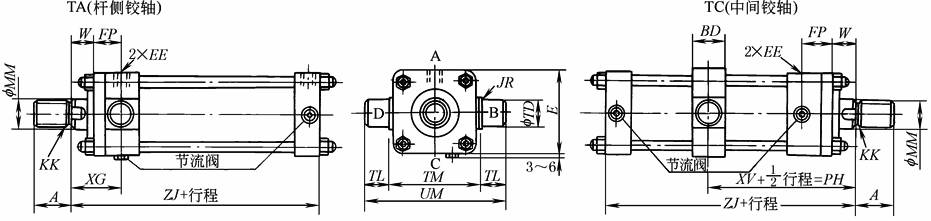
TA(杆侧铰轴)、TC(中间铰轴) |
|
mm |
|
缸径 |
B型杆 |
C型杆 |
TD (e9) |
E |
EE |
PH (最小) |
BD |
TL |
UM |
JR |
TM |
XV |
ZJ |
XG |
|||||
|
A |
KK |
MM |
A |
KK |
MM |
01 |
02 |
||||||||||||
|
32 |
25 |
M16×1.5 |
18 |
— |
— |
— |
20 |
58 |
Rc3/8 |
M14×1.5 |
105 |
28 |
20 |
98 |
2 |
|
113 |
171 |
62 |
|
40 |
30 |
M20×1.5 |
22 |
25 |
M16×1.5 |
18 |
20 |
65 |
Rc3/8 |
M14×1.5 |
105 |
28 |
20 |
109 |
2 |
|
113 |
171 |
62 |
|
50 |
35 |
M24×1.5 |
28 |
30 |
M20×1.5 |
22 |
25 |
76 |
Rc1/2 |
M18×1.5 |
113.5 |
33 |
25 |
135 |
2.5 |
|
121 |
185 |
66 |
|
63 |
45 |
M30×1.5 |
35 |
35 |
M24×1.5 |
28 |
31.5 |
90 |
Rc1/2 |
M18×1.5 |
127.5 |
43 |
31.5 |
161 |
2.5 |
|
132 |
198 |
74 |
|
80 |
60 |
M39×1.5 |
45 |
45 |
M30×1.5 |
35 |
31.5 |
110 |
Rc3/4 |
M22×1.5 |
140.5 |
43 |
31.5 |
181 |
2.5 |
|
146 |
219 |
82 |
|
100 |
75 |
M48×1.5 |
55 |
60 |
M39×1.5 |
45 |
40 |
135 |
Rc3/4 |
M27×2 |
152.5 |
53 |
40 |
225 |
3 |
|
156 |
232 |
89 |
|
125 |
95 |
M64×2 |
70 |
75 |
M48×1.5 |
55 |
50 |
165 |
Rc1 |
M27×2 |
174 |
58 |
50 |
275 |
3 |
|
177 |
265 |
103 |
|
140 |
110 |
M72×2 |
80 |
80 |
M56×2 |
63 |
63 |
185 |
Rc1 |
M27×2 |
191 |
78 |
63 |
321 |
4 |
|
188 |
280 |
112 |
|
150 |
115 |
M76×2 |
85 |
85 |
M60×2 |
65 |
63 |
196 |
Rc1 |
M33×2 |
193 |
78 |
63 |
332 |
4 |
|
194 |
290 |
112 |
|
160 |
120 |
M80×2 |
90 |
95 |
M64×2 |
70 |
71 |
210 |
Rc1 |
M33×2 |
211 |
88 |
71 |
360 |
4 |
|
207 |
308 |
126 |
|
180 |
140 |
M95×2 |
100 |
110 |
M72×2 |
80 |
80 |
235 |
Rc1¼ |
M42×2 |
225 |
98 |
80 |
403 |
4 |
|
216 |
330 |
— |
|
200 |
150 |
M100×2 |
112 |
120 |
M80×2 |
90 |
90 |
262 |
Rc1½ |
M42×2 |
244 |
108 |
90 |
452 |
5 |
|
232 |
356 |
— |
|
220 |
180 |
M120×2 |
125 |
140 |
M95×2 |
100 |
100 |
292 |
Rc1½ |
M42×2 |
257.5 |
117 |
100 |
500 |
5 |
|
241 |
365 |
— |
|
250 |
195 |
M130×2 |
140 |
150 |
M100×2 |
112 |
100 |
325 |
Rc2 |
M42×2 |
287.5 |
117 |
100 |
535 |
5 |
|
271 |
411 |
— |
|
注:1.其他尺寸见基本型。 |
|||||||||||||||||||