|
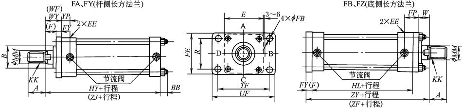
FA、FY(杆侧长方法兰)、FB、FZ(底侧长方法兰) |
|
mm |
|
缸径 |
B型杆 |
C型杆 |
E |
EE |
FP |
W |
YP |
TF |
UF |
FB |
FE |
R |
FA、FB |
FY、FZ |
|||||||||||||||
|
A |
B |
KK |
MM |
A |
B |
KK |
MM |
01 |
02 |
ZJ |
ZF |
WF |
F |
BB |
HY |
HL |
ZY |
WY |
FY |
||||||||||
|
32 |
25 |
34 |
M16×1.5 |
18 |
— |
34 |
— |
— |
58 |
Rc3/8 |
M14×1.5 |
38 |
30 |
27 |
88 |
109 |
11 |
62 |
40 |
171 |
182 |
41 |
11 |
11 |
173 |
141 |
184 |
43 |
13 |
|
40 |
30 |
40 |
M20×1.5 |
22 |
25 |
40 |
M16×1.5 |
18 |
65 |
Rc3/8 |
M14×1.5 |
38 |
30 |
27 |
95 |
118 |
11 |
69 |
46 |
171 |
182 |
41 |
11 |
11 |
173 |
141 |
184 |
43 |
13 |
|
50 |
35 |
46 |
M24×1.5 |
28 |
30 |
46 |
M20×1.5 |
22 |
76 |
Rc1/2 |
M18×1.5 |
42 |
30 |
29 |
115 |
145 |
14 |
85 |
58 |
185 |
198 |
43 |
13 |
11 |
190 |
155 |
203 |
48 |
18 |
|
63 |
45 |
55 |
M30×1.5 |
35 |
35 |
55 |
M24×1.5 |
28 |
90 |
Rc1/2 |
M18×1.5 |
46 |
35 |
31 |
132 |
165 |
18 |
98 |
65 |
198 |
213 |
50 |
15 |
13 |
203 |
163 |
218 |
55 |
20 |
|
80 |
60 |
65 |
M39×1.5 |
45 |
45 |
65 |
M30×1.5 |
35 |
110 |
Rc3/4 |
M22×1.5 |
56 |
35 |
38 |
155 |
190 |
18 |
118 |
87 |
219 |
237 |
53 |
18 |
16 |
225 |
184 |
243 |
59 |
24 |
|
100 |
75 |
80 |
M48×1.5 |
55 |
60 |
80 |
M39×1.5 |
45 |
135 |
Rc3/4 |
M27×2 |
58 |
40 |
38 |
190 |
230 |
22 |
150 |
109 |
232 |
252 |
60 |
20 |
18 |
240 |
192 |
260 |
68 |
28 |
|
125 |
95 |
95 |
M64×2 |
70 |
75 |
95 |
M48×1.5 |
55 |
165 |
Rc1 |
M27×2 |
67 |
45 |
43 |
224 |
272 |
26 |
175 |
130 |
265 |
289 |
69 |
24 |
21 |
274 |
220 |
298 |
78 |
33 |
|
140 |
110 |
105 |
M72×2 |
80 |
80 |
105 |
M56×2 |
63 |
185 |
Rc1 |
M27×2 |
69 |
50 |
43 |
250 |
300 |
26 |
195 |
145 |
280 |
306 |
76 |
26 |
22 |
291 |
230 |
317 |
87 |
37 |
|
150 |
115 |
110 |
M76×2 |
85 |
85 |
110 |
M60×2 |
65 |
196 |
Rc1 |
M33×2 |
71 |
50 |
43 |
270 |
320 |
30 |
210 |
155 |
290 |
318 |
78 |
28 |
25 |
301 |
240 |
329 |
89 |
39 |
|
160 |
120 |
115 |
M80×2 |
90 |
95 |
115 |
M64×2 |
70 |
210 |
Rc1 |
M33×2 |
74 |
55 |
43 |
285 |
345 |
33 |
225 |
170 |
308 |
339 |
86 |
31 |
25 |
318 |
253 |
349 |
96 |
41 |
|
180 |
140 |
125 |
M95×2 |
100 |
110 |
125 |
M72×2 |
80 |
235 |
Rc1¼ |
M42×2 |
75 |
55 |
42 |
315 |
375 |
33 |
243 |
185 |
330 |
363 |
88 |
33 |
27 |
343 |
275 |
376 |
101 |
46 |
|
200 |
150 |
140 |
M100×2 |
112 |
120 |
140 |
M80×2 |
90 |
262 |
Rc1½ |
M42×2 |
85 |
55 |
48 |
355 |
425 |
36 |
272 |
206 |
356 |
393 |
92 |
37 |
29 |
370 |
301 |
407 |
106 |
51 |
|
220 |
180 |
150 |
M120×2 |
125 |
140 |
150 |
M95×2 |
100 |
292 |
Rc1½ |
M42×2 |
89 |
60 |
48 |
395 |
475 |
42 |
310 |
230 |
365 |
406 |
101 |
41 |
34 |
382 |
305 |
423 |
118 |
58 |
|
250 |
195 |
170 |
M130×2 |
140 |
150 |
170 |
M100×2 |
112 |
325 |
Rc2 |
M42×2 |
106 |
65 |
60 |
425 |
515 |
45 |
335 |
250 |
411 |
457 |
111 |
46 |
37 |
430 |
346 |
476 |
130 |
65 |
|
注:FA、FB仅限用于7MPa;FY、FZ仅限用于14MPa。 |
|||||||||||||||||||||||||||||