|
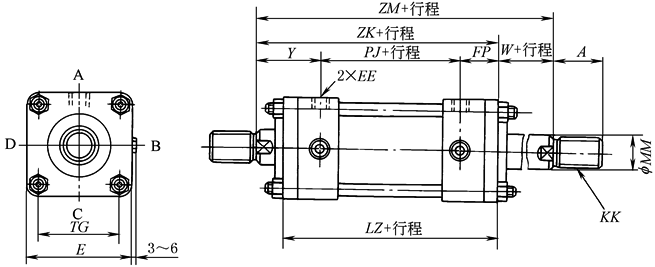
双活塞杆SD基本型 |
|||||||||||||||||
|
mm |
|||||||||||||||||
|
缸径 |
B型杆 |
C型杆 |
E |
EE |
FP |
LZ |
PJ |
TG |
Y |
W |
ZK |
ZM |
|||||
|
A |
KK |
MM |
A |
KK |
MM |
01 |
02 |
||||||||||
|
32 |
25 |
M16×1.5 |
18 |
— |
— |
— |
58 |
Rc3/8 |
M14×1.5 |
38 |
166 |
90 |
40 |
68 |
30 |
196 |
226 |
|
40 |
30 |
M20×1.5 |
22 |
25 |
M16×1.5 |
18 |
65 |
Rc3/8 |
M14×1.5 |
38 |
166 |
90 |
45 |
68 |
30 |
196 |
226 |
|
50 |
35 |
M24×1.5 |
28 |
30 |
M20×1.5 |
22 |
76 |
Rc1/2 |
M18×1.5 |
42 |
182 |
98 |
54 |
72 |
30 |
212 |
242 |
|
63 |
45 |
M30×1.5 |
35 |
35 |
M24×1.5 |
28 |
90 |
Rc1/2 |
M18×1.5 |
46 |
194 |
102 |
65 |
81 |
35 |
229 |
264 |
|
80 |
60 |
M39×1.5 |
45 |
45 |
M30×1.5 |
35 |
110 |
Rc3/4 |
M22×1.5 |
56 |
222 |
110 |
81 |
91 |
35 |
257 |
292 |
|
100 |
75 |
M48×1.5 |
55 |
60 |
M39×1.5 |
45 |
135 |
Rc3/4 |
M27×2 |
58 |
232 |
116 |
102 |
98 |
40 |
272 |
312 |
|
125 |
95 |
M64×2 |
70 |
75 |
M48×1.5 |
55 |
165 |
Rc1 |
M27×2 |
67 |
264 |
130 |
122 |
112 |
45 |
309 |
354 |
|
140 |
110 |
M72×2 |
80 |
80 |
M56×2 |
63 |
185 |
Rc1 |
M27×2 |
69 |
276 |
138 |
138 |
119 |
50 |
326 |
376 |
|
150 |
115 |
M76×2 |
85 |
85 |
M60×2 |
65 |
196 |
Rc1 |
M33×2 |
71 |
288 |
146 |
150 |
121 |
50 |
338 |
388 |
|
160 |
120 |
M80×2 |
90 |
95 |
M64×2 |
70 |
210 |
Rc1 |
M33×2 |
74 |
304 |
156 |
160 |
129 |
55 |
359 |
414 |
|
注:1.其他安装方式的尺寸可参照基本型式。 2.缸径超过160mm时,要与生产厂联系。 |
|||||||||||||||||