|
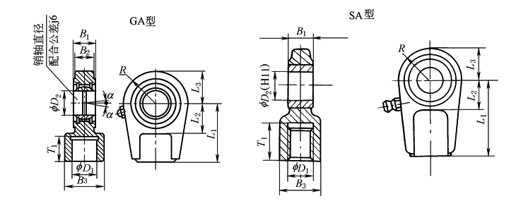
GA型球铰耳环、SA型衬套耳环 |
|||||||||||||||||
|
mm |
|||||||||||||||||
|
CD250 CG250 活塞直径 |
CD350 CG350 活塞直径 |
型号 |
件号 |
型号 |
件号 |
|
B3 |
D1 |
D2 |
L1 |
L2 |
L3 |
R |
T1 |
质量 /kg |
α |
|
|
GA、SA |
GA |
||||||||||||||||
|
40 |
|
GA 16 |
303125 |
SA 16 |
303150 |
23 |
28 |
M16×1.5 |
25 |
50 |
25 |
30 |
28 |
17 |
0.4 |
8° |
20 |
|
50 |
40 |
GA 22 |
303126 |
SA 22 |
303151 |
28 |
34 |
M22×1.5 |
30 |
60 |
30 |
34 |
32 |
23 |
0.7 |
7° |
22 |
|
63 |
50 |
GA 28 |
303127 |
SA 28 |
303152 |
30 |
44 |
M28×1.5 |
35 |
70 |
40 |
42 |
39 |
29 |
1.1 |
7° |
25 |
|
80 |
63 |
GA 35 |
303128 |
SA 35 |
303153 |
35 |
55 |
M35×1.5 |
40 |
85 |
45 |
50 |
47 |
36 |
2.0 |
7° |
28 |
|
100 |
80 |
GA 45 |
303129 |
SA 45 |
303154 |
40 |
70 |
M45×1.5 |
50 |
105 |
55 |
63 |
58 |
46 |
3.3 |
7° |
35 |
|
125 |
100 |
GA 58 |
303130 |
SA 58 |
303155 |
50 |
87 |
M58×1.5 |
60 |
103 |
65 |
70 |
65 |
59 |
5.5 |
7° |
44 |
|
140 |
125 |
GA 65 |
303131 |
SA 65 |
303156 |
55 |
93 |
M65×1.5 |
70 |
150 |
75 |
82 |
77 |
66 |
8.6 |
6° |
49 |
|
160 |
140 |
GA 80 |
130132 |
SA 80 |
303157 |
60 |
125 |
M80×2 |
80 |
170 |
80 |
95 |
88 |
81 |
12.2 |
6° |
55 |
|
180 |
160 |
GA 100 |
303133 |
SA 100 |
303158 |
65 |
143 |
M100×2 |
90 |
210 |
90 |
113 |
103 |
101 |
21.5 |
6° |
60 |
|
200 |
180 |
GA 110 |
303134 |
SA 110 |
303159 |
70 |
153 |
M110×2 |
100 |
235 |
105 |
125 |
115 |
111 |
27.5 |
7° |
70 |
|
220 |
200 |
GA 120 |
303135 |
SA 120 |
303160 |
80 |
176 |
M120×3 |
110 |
265 |
115 |
142.5 |
132.5 |
125 |
40.7 |
7° |
70 |
|
250 |
220 |
GA 120 |
303135 |
SA 120 |
303160 |
80 |
179 |
M120×3 |
110 |
265 |
115 |
142.5 |
132.5 |
125 |
40.7 |
7° |
70 |
|
280 |
250 |
GA 130 |
303136 |
SA 130 |
303161 |
90 |
188 |
M130×3 |
120 |
310 |
140 |
180 |
170 |
135 |
76.4 |
6° |
85 |
|
320 |
280 |
— |
— |
— |
— |
— |
— |
— |
— |
— |
— |
— |
— |
— |
— |
— |
— |
|
|
320 |
— |
— |
— |
— |
— |
— |
— |
— |
— |
— |
— |
— |
— |
— |
— |
— |