|
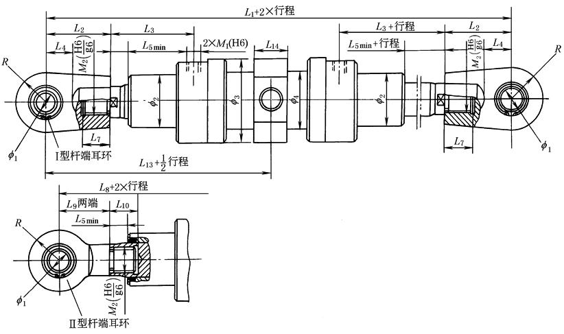
中部摆动式等速(ZBD)液压缸外形尺寸 |
||||||||||||||||
|
mm |
||||||||||||||||
|
缸径 |
40 |
50 |
63 |
80 |
100 |
125 |
140 |
160 |
180 |
200 |
220 |
250 |
280 |
320 |
360 |
400 |
|
杆径 |
28 |
36 |
45 |
56 |
70 |
90 |
100 |
110 |
125 |
140 |
160 |
180 |
200 |
220 |
250 |
280 |
|
L1 |
503 |
562 |
618 |
687 |
807 |
911 |
996 |
1086 |
1206 |
1306 |
1412 |
1640 |
1745 |
1905 |
1977 |
2092 |
|
L8 |
433 |
482 |
522 |
567 |
667 |
743 |
796 |
854 |
946 |
1026 |
1096 |
1300 |
1335 |
1441 |
1457 |
1520 |
|
注:左视图及其他尺寸代号数值与中部摆动式(ZB)液压缸相同,见表中部摆动式(ZB)液压缸外形尺寸。 |
||||||||||||||||