|
典型产品外形尺寸 |
|||||||||||||||
|
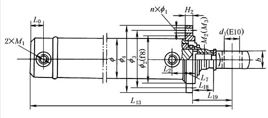
① 耳环连接
表1 mm |
|||||||||||||||
|
缸径 |
尺 寸 代 号 |
||||||||||||||
|
L1 |
L2 |
L3 |
L4 |
L5 |
L6 |
L7 |
L |
f |
H1 |
d1 |
M1 |
M2 |
M3 |
R×b |
|
|
40 |
30 |
65 |
225+S |
255+S |
|
218+S |
|
30 |
57 |
15 |
20 |
M14×1.5 |
M16×1.5 |
|
25×25 |
|
50 |
40 |
243+S |
280+S |
240+S |
|
35 |
68 |
30 |
M18×1.5 |
M22×1.5 |
|
35×35 |
|||
|
63 |
258+S |
295+S |
218+S |
270+S |
35 |
40 |
83 |
M27×1.5 |
M24×1.5 |
||||||
|
80 |
50 |
75 65# |
300+S
|
347+S
|
255+S
|
317+S
|
40 |
45 |
102 |
18 |
40 |
M22×1.5 |
M33×1.5
|
M30×1.5
|
45×45 |
|
90 |
66 76* |
305+S 325+S* |
357+S 377+S* |
260+S 280+S* |
312+S 332+S* |
50 |
114 |
M36×2
|
M33×1.5
|
||||||
|
100 |
60 |
72 82* |
340+S 360+S* |
402+S 422+S* |
290+S 310+S* |
357+S 377+S* |
55
|
50
|
127
|
20 |
50 |
M27×2 |
M42×2
|
M36×2 |
60×60 |
|
110 |
77 87* |
360+S 380+S* |
422+S 442+S* |
305+S 325+S* |
372+S 392+S* |
60
|
55
|
140
|
M48×2
|
M42×2
|
|||||
|
125 |
78 |
370+S |
452+S |
310+S |
377+S |
65 |
60 |
152 |
M52×2 |
M48×2 |
|||||
|
140 |
70 |
85 95* |
405+S 425+S* |
498+S 518+S* |
340+S *360+S |
418+S 438+S* |
70
|
65
|
168
|
60 |
M60×2
|
M52×2
|
70×70 |
||
|
150 |
75 |
92 102* |
420+S 440+S* |
513+S 533+S* |
350+S 370+S* |
428+S 448+S* |
75
|
70
|
180
|
22 |
M33×2 |
M64×2
|
M56×2
|
||
|
160 |
70 |
100 |
435+S |
533+S |
360+S |
438+S |
80 |
75 |
194 |
M68×2 |
M60×2 |
||||
|
180 |
89 |
107 |
480+S |
588+S |
395+S |
483+S |
90 |
85 |
219 |
24 |
70 |
M42×2 |
M76×3 |
M68×2 |
80×80 |
|
200 |
100 |
110 |
510+S |
628+S |
415+S |
513+S |
100 |
95 |
245 |
80 |
M85×3 |
M76×3 |
95×90 |
||
|
220 |
110 |
120 |
560+S |
690+S |
455+S |
565+S |
110 |
105 |
273 |
25 |
90 |
M95×3 |
M85×3 |
105×100 |
|
|
250 |
122 |
135 |
614+S |
754+S |
499+S |
624+S |
120 |
115 |
299 |
100 |
M105×3 |
M95×3 |
120×110 |
||
|
注:1.S为行程。 2.带*者仅为速度比φ=2时的尺寸;带#者仅为f 80mm缸卡键式尺寸。 3.M2用于速度比φ=1.46和2;M3仅用于速度比φ=1.33。 4.表中尺寸代号对所有安装方式尺寸代号通用。 5.本表数据取自武汉油缸厂的产品样本,若用其他厂的产品,应与有关厂联系。 6.生产厂:武汉油缸厂、长江液压件有限责任公司、榆次液压件厂、韶关液压件厂、厦门海特液压机械工程公司、焦作华科液压机械制造有限公司、海门市液压件厂、抚顺宝重工液压制造有限公司、武汉严氏液压机械有限公司。 |
|
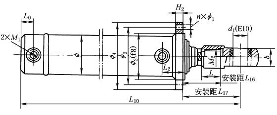
② 耳轴连接 |
||||||||||||
|
表2 mm |
||||||||||||
|
尺寸代号 |
缸 径 |
|||||||||||
|
80 |
90 |
100 |
110 |
125 |
140 |
150 |
160 |
180 |
200 |
220 |
250 |
|
|
L0 |
25 |
30 |
35 |
42 |
40 |
53 |
55 |
|||||
|
L8
|
>215 <160+S |
>225 <165+S |
>250 <170+S |
>260 <190+S |
>255 <200+S |
>290 <210+S |
>305 <225+S |
>310 <240+S |
>345 <255+S |
>365 <265+S |
>395 <285+S |
>430 <315+S |
|
L9
|
>260 <205+S |
>275 <215+S |
>310 <230+S |
>320 <250+S |
>335 <280+S |
>385 <305+S |
>400 <320+S |
>410 <340+S |
>455 <365+S |
>485 <385+S |
>525 <415+S |
>570 <455+S |
|
L10
|
322+S
|
332+S 352+S* |
372+S 392+S* |
392+S 412+S* |
422+S
|
463+S 483+S* |
478+S 498+S* |
498+S
|
548+S
|
578+S
|
633+S
|
687+S
|
|
L11
|
>170 <115+S |
>180 <120+S |
>200 <120+S |
>205 <135+S |
>195 <140+S |
>225 <145+S |
>235 <155+S |
>235 <165+S |
>260 <170+S |
>270 <170+S |
>290 <180+S |
>315 <200+S |
|
L12
|
>230 <175+S |
>230 <170+S |
>265 <185+S |
>270 <200+S |
>260 <205+S |
>305 <225+S |
>315 <235+S |
>315 <245+S |
>350 <260+S |
>370 <220+S |
>400 <290+S |
>440 <325+S |
|
L13
|
292+S
|
287+S 307+S* |
327+S 347+S* |
342+S *362+S |
347+S
|
383+S 403+S* |
393+S 413+S* |
403+S
|
443+S
|
463+S
|
508+S
|
557+S
|
|
L14 |
125 |
140 |
155 |
170 |
185 |
200 |
215 |
230 |
255 |
285 |
320 |
350 |
|
L15 |
185 |
200 |
230 |
245 |
260 |
290 |
305 |
320 |
360 |
405 |
455 |
500 |
|
d2 |
40 |
40 |
50 |
50 |
50 |
60 |
60 |
60 |
70 |
80 |
90 |
100 |
|
A |
55 |
60 |
80 |
70 |
55 |
80 |
80 |
70 |
90 |
100 |
100 |
105 |
|
注:1.同上表1中注1~注6。 2.图中其他尺寸代号见上表1。 3.耳轴连接的行程不得小于表中A值。 |
|
③ 端部法兰连接 |
||||||||||||
|
表3 mm |
||||||||||||
|
尺寸代号 |
缸 径 |
|||||||||||
|
80 |
90 |
100 |
110 |
125 |
140 |
150 |
160 |
180 |
200 |
220 |
250 |
|
|
L16
|
81
|
82 92* |
88 98* |
95 105* |
98
|
108 118* |
114 124* |
119
|
130
|
143
|
156
|
171
|
|
L17
|
128
|
134 144* |
150 160* |
157 167* |
180
|
201 211* |
207 217* |
217
|
238
|
261
|
285
|
311
|
|
L18
|
36
|
37 47* |
38 48* |
40 50* |
38
|
43 53* |
44 54* |
44
|
45
|
48
|
51
|
56
|
|
L19
|
98 |
89 99* |
105 115* |
107 117* |
105
|
121 131* |
122 132* |
122
|
133
|
146
|
160
|
181
|
|
H2 |
20 |
20 |
20 |
22 |
22 |
24 |
26 |
28 |
30 |
32 |
34 |
36 |
|
n×f1 |
8×f13.5 |
8×f15.5 |
8×f18 |
8×f18 |
10×f18 |
10×f20 |
10×f22 |
10×f22 |
10×f24 |
10×f26 |
10×f29 |
12×f32 |
|
f2 |
115 |
130 |
145 |
160 |
175 |
190 |
205 |
220 |
245 |
275 |
305 |
330 |
|
f3 |
145 |
160 |
180 |
195 |
210 |
225 |
245 |
260 |
285 |
320 |
355 |
390 |
|
f4 |
175 |
190 |
210 |
225 |
240 |
260 |
285 |
300 |
325 |
365 |
405 |
450 |
|
注:1.同上表1注2~注6。 2.图中其他尺寸代号的数值见上表1和上表2。 |
|
④ 中部法兰连接 |
||||||||||||
|
表4 mm |
||||||||||||
|
尺寸代号 |
缸 径 |
|||||||||||
|
80 |
90 |
100 |
110 |
125 |
140 |
150 |
160 |
180 |
200 |
220 |
250 |
|
|
L20
|
>200 <190+S |
>210 <195+S |
>230 <210+S |
>240 <220+S |
>235 <240+S |
>265 <250+S |
>285 <265+S |
>290 <280+S |
>320 <300+S |
>340 <315+S |
>365 <340+S |
>395 <375+S |
|
L21
|
>245 <235+S |
>260 <245+S |
>290 <270+S |
>300 <285+S |
>315 <320+S |
>360 <345+S |
>380 <360+S |
>390 <380+S |
>430 <410+S |
>460 <435+S |
>495 <470+S |
>535 <515+S |
|
L22
|
>155 <145+S |
>165 <150+S |
>180 <160+S |
>185 <170+S |
>175 <180+S |
>200 <185+S |
>215 <195+S |
>215 <205+S |
>235 <215+S |
>245 <220+S |
>260 <235+S |
>280 <260+S |
|
L23 |
>215 <205+S |
>215 <200+S |
>245 <224+S |
>250 <235+S |
>240 <245+S |
>280 <265+S |
>295 <275+S |
>295 <285+S |
>325 <305+S |
>345 <320+S |
>370 <345+S |
>405 <385+S |
|
注:1.同上表1注1~注6。 2.图中其他尺寸代号的数值见上表1~表3。 3.中部法兰连接的行程不得小于上表2中的A值。 |