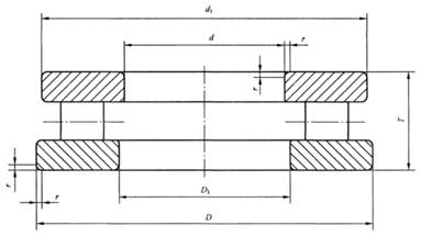
推力圆柱滚子轴承  (GB/T 46632017)

单向推力圆柱滚子轴承

轴向当量动载荷:PaFa

轴向当量静载荷:P0aFa

最小轴向载荷:

说明: 说明: 说明: 说明: 说明: D:\yky\NEW07\7-2-85.files\image002.gif

式中 n——转速,r/min

应用

能承受较大的单向轴向载荷,限制单向位移

基本尺寸 /mm

基本额定载荷

/kN

最小载

常数

极限转速

/r·min-1

重量

/kg

轴承

代号

其他尺寸 /mm

安装尺寸 /mm

d

D

T

Ca

C0a

A

W

80000

D1

min

d1

max

r

min

da

min

Da

max

ra

max

10

24

9

 

 

 

 

 

 

81100

11

24

0.3

 

 

 

 

26

11

 

 

 

 

 

 

81200

12

26

0.6

 

 

 

 

 

 

 

 

 

 

 

 

 

 

 

 

 

 

 

12

26

9

 

 

 

 

 

 

81101

13

26

0.3

 

 

 

 

28

11

 

 

 

 

 

 

81201

14

28

0.6

 

 

 

 

 

 

 

 

 

 

 

 

 

 

 

 

 

 

 

15

28

9

 

 

 

 

 

 

81102

16

28

0.3

 

 

 

 

32

12

 

 

 

 

 

 

81202

17

32

0.6

 

 

 

 

 

 

 

 

 

 

 

 

 

 

 

 

 

 

 

17

30

9

 

 

 

 

 

 

81103

18

30

0.3

 

 

 

 

35

12

 

 

 

 

 

 

81203

19

35

0.6

 

 

 

 

 

 

 

 

 

 

 

 

 

 

 

 

 

 

 

20

35

10

 

 

 

 

 

 

81104

21

35

0.3

 

 

 

 

40

14

 

 

 

 

 

 

81204

22

40

0.6

 

 

 

 

 

 

 

 

 

 

 

 

 

 

 

 

 

 

 

25

42

11

 

 

 

 

 

 

81105

26

42

0.6

 

 

 

 

47

15

 

 

 

 

 

 

81205

27

47

0.6

 

 

 

 

 

 

 

 

 

 

 

 

 

 

 

 

 

 

 

30

47

11

 

 

 

 

 

 

81106

32

47

0.6

 

 

 

 

52

16

 

 

 

 

 

 

81206

32

52

0.6

 

 

 

 

 

 

 

 

 

 

 

 

 

 

 

 

 

 

 

35

52

12

 

 

 

 

 

 

81107

37

52

0.6

 

 

 

 

62

18

 

 

 

 

 

 

81207

42

68

1

 

 

 

 

 

 

 

 

 

 

 

 

 

 

 

 

 

 

 

40

60

13

37.2

115

0.002

1700

2400

0.12

81108

42

60

0.6

58

42

0.6

 

68

19

68.2

190

0.004

1200

1800

0.27

81208

42

68

1

66

43

1

 

 

 

 

 

 

 

 

 

 

 

 

 

 

 

 

45

65

14

 

 

 

 

 

 

81109

47

60

0.6

 

 

 

 

73

20

 

 

 

 

 

 

81209

47

73

1

 

 

 

 

 

 

 

 

 

 

 

 

 

 

 

 

 

 

 

50

70

14

 

 

 

 

 

 

81110

52

70

0.6

 

 

 

78

22

77.0

235

0.005

1000

1600

0.45

81210

52

78

1

75

53

1

 

 

 

 

 

 

 

 

 

 

 

 

 

 

 

 

55

78

16

56.5

215

0.005

1400

2000

0.24

81111

57

78

0.6

77

57

0.6

 

90

25

104

318

0.009

950

1500

0.71

81211

57

90

1

85

59

1

 

 

 

 

 

 

 

 

 

 

 

 

 

 

 

 

60

85

17

 

 

 

 

 

 

81112

62

85

1

 

 

 

 

95

26

 

 

 

 

 

 

81212

62

951

 

 

 

 

 

 

 

 

 

 

 

 

 

 

 

 

 

 

 

 

65

90

18

65.8

235

0.006

1200

1800

0.381

81113

67

90

1

87

67

1

 

100

27

112

362

0.012

850

1300

0.874

81213

67

100

1

96

69

1

 

 

 

 

 

 

 

 

 

 

 

 

 

 

 

 

70

95

18

 

 

 

 

 

 

81114

72

92

1

 

 

 

 

105

27

 

 

 

 

 

 

81214

72

105

1

 

 

 

 

 

 

 

 

 

 

 

 

 

 

 

 

 

 

 

75

100

19

 

 

 

 

 

 

81115

77

100

1

 

 

 

 

110

27

125

430

0.017

750

1100

0.98

81215

77

110

1

106

79

1

 

 

 

 

 

 

 

 

 

 

 

 

 

 

 

 

80

105

19

 

 

 

 

 

 

81116

82

105

1

 

 

 

 

115

28

 

 

 

 

 

 

81216

82

115

1

 

 

 

 

 

 

 

 

 

 

 

 

 

 

 

 

 

 

 

85

110

19

75.0

302

0.008

900

1400

0.45

81117

87

110

1

108

87

1

 

125

31

152

550

0.026

670

950

1.44

81217

88

125

1

119

90

1

 

 

 

 

 

 

 

 

 

 

 

 

 

 

 

 

90

120

22

105

408

0.015

850

1300

0.67

81118

92

120

1

117

93

1

 

135

35

 

 

 

 

 

 

81218

93

135

1.1

 

 

 

 

 

 

 

 

 

 

 

 

 

 

 

 

 

 

 

100

135

25

 

 

 

 

 

 

81120

102

135

1

 

 

 

 

150

38

228

840

0.059

560

850

2.58

81220

103

150

1.1

142

107

1

 

 

 

 

 

 

 

 

 

 

 

 

 

 

 

 

110

145

25

 

 

 

 

 

 

81122

112

145

1

 

 

 

 

160

38

 

 

 

 

 

 

81222

113

160

1.1

 

 

 

 

 

 

 

 

 

 

 

 

 

 

 

 

 

 

 

120

155

25

155

660

0.036

700

1000

1.36

81124

122

155

1

151

124

1

 

170

39

 

 

 

 

 

 

81224

123

170

1.1

 

 

 

 

 

 

 

 

 

 

 

 

 

 

 

 

 

 

 

130

170

30

 

 

 

 

 

 

81126

132

170

1

 

 

 

 

190

45

368

1420

0.164

450

700

4.59

81226

133

187

1.5

181

137

1.5

 

 

 

 

 

 

 

 

 

 

 

 

 

 

 

 

140

180

31

 

 

 

 

 

 

81128

142

178

1

 

 

 

 

200

46

 

 

 

 

 

 

81228

143

197

1.5

 

 

 

 

 

 

 

 

 

 

 

 

 

 

 

 

 

 

 

150

190

31

 

 

 

 

 

 

81130

152

188

1

 

 

 

 

215

50

 

 

 

 

 

 

81230

153

212

1.5

 

 

 

 

 

 

 

 

 

 

 

 

 

 

 

 

 

 

 

160

200

31

 

 

 

 

 

 

81132

162

198

1

 

 

 

 

225

51

 

 

 

 

 

 

81232

163

222

1.5

 

 

 

 

 

 

 

 

 

 

 

 

 

 

 

 

 

 

 

170

215

34

 

 

 

 

 

 

81134

172

213

1.1

 

 

 

 

240

55

 

 

 

 

 

 

81234

173

237

1.5

 

 

 

 

 

 

 

 

 

 

 

 

 

 

 

 

 

 

 

180

225

34

 

 

 

 

 

 

81136

183

222

1.1

 

 

 

 

250

56

 

 

 

 

 

 

81236

183

247

1.5

 

 

 

 

 

 

 

 

 

 

 

 

 

 

 

 

 

 

 

190

240

37

 

 

 

 

 

 

81138

193

237

1.1

 

 

 

 

270

62

 

 

 

 

 

 

81238

194

267

2

 

 

 

 

 

 

 

 

 

 

 

 

 

 

 

 

 

 

 

200

250

37

 

 

 

 

 

 

81140

203

247

1.1

 

 

 

 

280

62

 

 

 

 

 

 

81240

204

277

2

 

 

 

 

 

 

 

 

 

 

 

 

 

 

 

 

 

 

 

220

270

37

 

 

 

 

 

 

81144

223

267

1.1

 

 

 

 

300

63

 

 

 

 

 

 

81244

224

297

2

 

 

 

 

 

 

 

 

 

 

 

 

 

 

 

 

 

 

 

240

300

45

 

 

 

 

 

 

81148

243

297

1.5

 

 

 

 

340

78

 

 

 

 

 

 

81248

244

335

2

 

 

 

 

 

 

 

 

 

 

 

 

 

 

 

 

 

 

 

260

320

45

 

 

 

 

 

 

81152

263

317

1.5

 

 

 

 

360

79

 

 

 

 

 

 

81252

264

355

2.1

 

 

 

 

 

 

 

 

 

 

 

 

 

 

 

 

 

 

 

280

350

53

 

 

 

 

 

 

81156

283

347

1.5

 

 

 

 

380

80

 

 

 

 

 

 

81256

284

375

2.1

 

 

 

 

 

 

 

 

 

 

 

 

 

 

 

 

 

 

 

300

380

62

 

 

 

 

 

 

81160

304

376

2

 

 

 

 

420

95

 

 

 

 

 

 

81260

304

415

3

 

 

 

 

 

 

 

 

 

 

 

 

 

 

 

 

 

 

 

320

400

63

 

 

 

 

 

 

81164

324

396

2

 

 

 

 

440

95

 

 

 

 

 

 

81264

325

435

3

 

 

 

 

 

 

 

 

 

 

 

 

 

 

 

 

 

 

 

340

420

64

 

 

 

 

 

 

81168

344

416

2

 

 

 

 

460

96

 

 

 

 

 

 

81268

345

455

3

 

 

 

 

 

 

 

 

 

 

 

 

 

 

 

 

 

 

 

360

440

65

 

 

 

 

 

 

81172

364

436

2

 

 

 

 

500

110

 

 

 

 

 

 

81272

365

495

4

 

 

 

 

 

 

 

 

 

 

 

 

 

 

 

 

 

 

 

380

460

65

 

 

 

 

 

 

81176

384

456

2

 

 

 

 

520

112

 

 

 

 

 

 

81276

385

515

4

 

 

 

 

 

 

 

 

 

 

 

 

 

 

 

 

 

 

 

400

480

65

 

 

 

 

 

 

81180

404

476

2

 

 

 

 

540

112

 

 

 

 

 

 

81280

405

535

4

 

 

 

 

 

 

 

 

 

 

 

 

 

 

 

 

 

 

 

420

500

65

 

 

 

 

 

 

81184

424

495

2

 

 

 

 

580

130

 

 

 

 

 

 

81284

425

575

5

 

 

 

 

 

 

 

 

 

 

 

 

 

 

 

 

 

 

 

440

540

80

 

 

 

 

 

 

81188

444

535

2.1

 

 

 

 

600

130

 

 

 

 

 

 

81288

445

595

5

 

 

 

 

 

 

 

 

 

 

 

 

 

 

 

 

 

 

 

460

560

80

 

 

 

 

 

 

81192

464

555

2.1

 

 

 

 

620

130

 

 

 

 

 

 

81292

465

615

5

 

 

 

 

 

 

 

 

 

 

 

 

 

 

 

 

 

 

 

480

580

80

 

 

 

 

 

 

81196

484

575

2.1

 

 

 

 

650

135

 

 

 

 

 

 

81296

485

645

5

 

 

 

 

 

 

 

 

 

 

 

 

 

 

 

 

 

 

 

500

600

80

 

 

 

 

 

 

811/500

504

595

2.1

 

 

 

 

670

135

 

 

 

 

 

 

812/500

505

665

5

 

 

 

 

 

 

 

 

 

 

 

 

 

 

 

 

 

 

 

530

640

85

 

 

 

 

 

 

811/530

534

635

3

 

 

 

 

710

140

 

 

 

 

 

 

812/530

535

705

5

 

 

 

 

 

 

 

 

 

 

 

 

 

 

 

 

 

 

 

560

670

85

 

 

 

 

 

 

811/560

564

665

3

 

 

 

 

750

150

 

 

 

 

 

 

812/560

565

745

5

 

 

 

 

 

 

 

 

 

 

 

 

 

 

 

 

 

 

 

600

710

85

 

 

 

 

 

 

811/600

604

705

3

 

 

 

 

800

160

 

 

 

 

 

 

812/600

605

795

5

 

 

 

 

 

 

 

 

 

 

 

 

 

 

 

 

 

 

 

630

750

95

 

 

 

 

 

 

811/630

634

745

3

 

 

 

 

850

175

 

 

 

 

 

 

812/630

635

845

6

 

 

 

 

 

 

 

 

 

 

 

 

 

 

 

 

 

 

 

670

800

105

 

 

 

 

 

 

811/670

674

795

4

 

 

 

 

900

180

 

 

 

 

 

 

812/670

675

895

6

 

 

 

 

 

 

 

 

 

 

 

 

 

 

 

 

 

 

 

710

850

112

 

 

 

 

 

 

811/710

714

845

4

 

 

 

 

950

190

 

 

 

 

 

 

812/710

715

945

6

 

 

 

 

 

 

 

 

 

 

 

 

 

 

 

 

 

 

 

750

900

120

 

 

 

 

 

 

811/750

755

895

4

 

 

 

 

1000

195

 

 

 

 

 

 

812/750

755

995

6

 

 

 

 

 

 

 

 

 

 

 

 

 

 

 

 

 

 

 

800

950

120

 

 

 

 

 

 

811/800

805

945

4

 

 

 

 

1060

205

 

 

 

 

 

 

812/800

805

1055

7.5

 

 

 

 

 

 

 

 

 

 

 

 

 

 

 

 

 

 

 

850

1000

120

 

 

 

 

 

 

811/850

855

955

4

 

 

 

 

1120

212

 

 

 

 

 

 

812/850

855

1115

7.5

 

 

 

 

 

 

 

 

 

 

 

 

 

 

 

 

 

 

 

900

1060

130

 

 

 

 

 

 

811/900

1054

906

5

 

 

 

 

1180

220

 

 

 

 

 

 

812/900

905

1175

7.5

 

 

 

 

 

 

 

 

 

 

 

 

 

 

 

 

 

 

 

950

1120

135

 

 

 

 

 

 

811/950

1114

956

5

 

 

 

 

1250

236

 

 

 

 

 

 

812/950

955

1245

7.5

 

 

 

 

 

 

 

 

 

 

 

 

 

 

 

 

 

 

 

1000

1180

140

 

 

 

 

 

 

811/1000

1005

1175

5

 

 

 

 

1320

250

 

 

 

 

 

 

812/1000

1005

1315

9.5

 

 

 

 

 

 

 

 

 

 

 

 

 

 

 

 

 

 

 

1060

1250

150

 

 

 

 

 

 

811/1060

1065

1245

5

 

 

 

 

1400

265

 

 

 

 

 

 

812/1060

1065

1395

9.5

 

 

 

 

 

 

 

 

 

 

 

 

 

 

 

 

 

 

 

1120

1320

160

 

 

 

 

 

 

811/1120

1125

1315

5

 

 

 

 

 

 

 

 

 

 

 

 

 

 

 

 

 

 

 

1180

1400

175

 

 

 

 

 

 

811/1180

1185

1395

6

 

 

 

 

 

 

 

 

 

 

 

 

 

 

 

 

 

 

 

1250

1460

175

 

 

 

 

 

 

811/1250

1255

1455

6

 

 

 

 

 

 

 

 

 

 

 

 

 

 

 

 

 

 

 

1320

1540

175

 

 

 

 

 

 

811/1320

1325

1535

6

 

 

 

 

 

 

 

 

 

 

 

 

 

 

 

 

 

 

 

1400

1630

180

 

 

 

 

 

 

811/1400

1410

1620

6

 

 

 

 

 

 

 

 

 

 

 

 

 

 

 

 

 

 

 

1500

1750

195

 

 

 

 

 

 

811/1500

1510

1740

6

 

 

 

 

 

 

 

 

 

 

 

 

 

 

 

 

 

 

 

1600

1850

195

 

 

 

 

 

 

811/1600

1610

1840

6

 

 

 

 

 

 

 

 

 

 

 

 

 

 

 

 

 

 

 

1700

1970

212

 

 

 

 

 

 

811/1700

1710

1960

7.5

 

 

 

 

 

 

 

 

 

 

 

 

 

 

 

 

 

 

 

1800

2080

220

 

 

 

 

 

 

811/1800

1810

2070

7.5

 

 

 


 

 

 

 

 

 

 

 

 

 

 

 

 

 

 

 

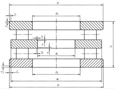
双向推力圆柱滚子轴承

轴承型号

da

d2

D

D1smin

d3max

T1

rsminb

r1sminb

82211

55

45

90

57

90

45

1

0.6

 

 

 

 

 

 

 

 

 

82212

60

50

95

62

95

46

1

0.6

 

 

 

 

 

 

 

 

 

82213

65

55

100

67

100

47

1

0.6

 

 

 

 

 

 

 

 

 

82214

70

55

105

72

105

47

1

1

 

 

 

 

 

 

 

 

 

82215

75

60

110

77

110

47

1

1

 

 

 

 

 

 

 

 

 

82216

80

65

115

82

115

48

1

1

 

 

 

 

 

 

 

 

 

82217

85

70

125

88

125

55

1

1

 

 

 

 

 

 

 

 

 

82218

90

75

135

93

135

62

1.1

1

 

 

 

 

 

 

 

 

 

82220

100

85

150

103

150

67

1.1

1

 

 

 

 

 

 

 

 

 

82222

110

95

160

113

160

67

1.1

1

 

 

 

 

 

 

 

 

 

82224

120

100

170

123

170

68

1.1

1.1

 

 

 

 

 

 

 

 

 

82226

130

110

190

133

189.5

80

1.5

1.1

 

 

 

 

 

 

 

 

 

82228

140

120

200

143

199.5

81

1.5

1.1

 

 

 

 

 

 

 

 

 

82230

150

130

215

153

214.5

89

1.5

1.1

 

 

 

 

 

 

 

 

 

82232

160

140

225

163

224.5

90

1.5

1.1

 

 

 

 

 

 

 

 

 

82234

170

150

240

173

239.5

97

1.5

1.1

 

 

 

 

 

 

 

 

 

82236

180

150

250

183

249

98

1.5

2

 

 

 

 

 

 

 

 

 

82238

190

160

270

194

269

109

2

2

 

 

 

 

 

 

 

 

 

82240

200

170

280

204

279

109

2

2

 

 

 

 

 

 

 

 

 

82244

220

190

300

224

299

110

2

2