公差框格公差数值和有关符号的标注  (GB/T 11821996)

 

1.公差要求在矩形方框中给出,该方框由2格或多格组成。框格中的内容从左到右按以下次序填写

(1)公差特征的符号;

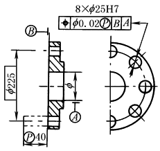
(2)公差值用线性值,如公差带是圆形或圆柱形的则在公差值前加注f ;如是球形的则加注“Sf

(3)如需要,用一个或多个字母表示基准要素或基准体系(见图b、图c和图d)

b2d3d6A

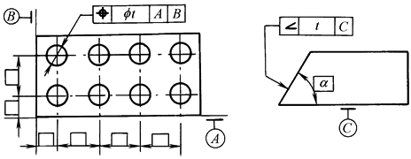
2.被测范围仅为被测要素的某一部分

用粗点划线表示其范围,并加注尺寸

b2d3d6B

3.给出被测要素任一长度(或范围)的公差值

任一长度的公差值要求用分数表示

b2d3d6C

4.同时给出全长和任一长度的公差值时

全长上的公差值框格并置于任一长度的公差值框格上面

b2d3d6D

5.被测范围不仅包括被测要素的整个表面或全长,而且延长到被测要素之外,或包括被测要素的整个表面或全长,而是在被测要素之外伸出

应采用延伸公差带标注

延伸公差带的延伸部分用双点划线绘制,应标注其相应的尺寸,并在延伸部分的尺寸数值前,及在框格中公差数值后加注符号“

b2d3d6E

6.对形位公差有附加要求时,应在相应的公差数值后面加注有关的符号,若被测要素有误差:

(1)只许中间向材料外凸起

加注(+)

b2d3d6F

(2)只许中间向材料内凹下

加注(-)

b2d3d6G

(3)只许按符号的小端方向逐渐减小

加注()()

b2d3d6H

7.对同一要素有一个以上的公差特征项目要求时

可将一个框格放在另一个框格的下面

b2d3d6I

8.单一要素要求遵守包容要求时

在该尺寸公差后加注符号“

b2d3d6J

9.最大实体要求

用符号表示,此符号置于给出的公差值或基准字母的后面,或同时置于两者后面

b2d3d6K

10.最小实体要求

用符号表示,此符号置于给出的公差值或基准字母的后面,或同时置于两者后面

b2d3d6L

11.可逆要求

将可逆要求符号置于被测要素形位公差框格中形位公差值之后的符号的后面。公差框格内加注双重符号表示可逆要求用于最大实体要求;加注双重符号表示可逆要求用于最小实体要求

b2d3d6M

12.自由状态条件

对于非刚性零件的自由状态条件用符号表示,此符号置于给的公差值后面

b2d3d6N

13.理论正确尺寸

理论正确尺寸应围以框格,零件实际尺寸仅是由在公差框格中位置度,轮廓度或倾斜长公差来限定

b2d3d6O